下一篇:同力重機:節能球磨機介紹和功能
立式磨粉機是同力重機在國際較先進磨粉技術的基礎上研制開發的新型集烘干、粉磨、選粉、提升于一體的磨粉設備,能更加有效的保證磨粉產量。立式磨粉機新型的液壓裝置能保證維修的簡單方面,且自動排出廢渣的功能,能有效的減少人工,降低成本。
同力重機立式磨粉機是由多種結構組成的,可調節磨粉粒度,是的立式磨粉機使用范圍廣,多用于粉制備、電廠脫硫、水泥、礦渣實現脫硫的較好設備,也用于加工重鈣、石英石和水渣、煤粉的主要設備。
新型的磨粉設備,是同力重機為解決市場上工業磨粉產量低、能耗高的問題研發生產的一種高效率、低能耗、環保性能高產量高的磨粉設備,能大程度的提高產量,滿足客戶需要。
立磨機由于其節能、高效、運行平穩等特點,被應用于水泥行業的生料生產中。從德國引進的水泥生產線中立磨液壓機的使用情況以及存在的問題。立磨液壓機是水泥生產線中的關鍵設備,它的工作性能直接影響著生產線的效率,原來該水泥生產線存在的主要故障是:立磨液壓機的設計能力是50t/h,但設備自安裝調試以來其產量一直維持在35t/h,生產率遠遠達不到設計要求,嚴重影響了該廠的經濟效益。為此,我們通過對該液壓系統進行分析研究的基礎上,不僅在現場采取了應對措施,而且還對液壓系統進行了改進并排除了故障。
1、立式磨機的工作原理 :
磨輥的左右兩端分別與左右兩液壓缸的活塞桿相連,由液壓缸活塞桿的伸縮來控制磨輥的升降。在粉磨過程中,一方面由液壓系統提供給磨輥足夠的壓力;另一方面磨盤做旋轉運動,磨輥在磨料的作用下自轉,磨盤的旋轉運動是由電動機經皮帶傳動來實現的。磨盤中的物料由于離心力的作用向磨盤周邊移動,進入輥道,物料在磨輥的壓力和剪切作用下被粉碎。
2、立磨液壓機液壓系統的組成和工作原理:
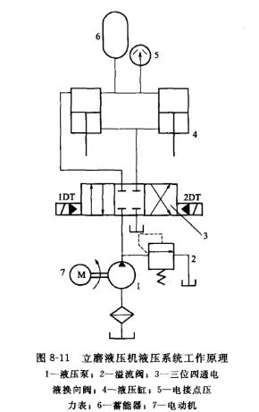
立磨液壓機液壓系統是立式磨的重要組成部分,主要由油缸、蓄能器、液壓管路、液壓站等組件組成。它的主要作用是向磨輥施加足夠的壓力使物料被粉碎。系統的工作原理如下。 如圖8一11所示:

當1DT通電時,換向閥左位接入回路,液壓缸4由上向下運動,磨輥通過液壓系統提供的壓力下移。當液壓缸4無桿腔的壓力上升至電接點壓力表5的上限值時,壓力表觸點發出信號,使電磁鐵1DT斷電,電液換向閥3處于中位,液壓缸4由蓄能器6補償系統泄漏工作在保壓狀態;當液壓缸無桿腔壓力下降到電接點壓力表5設定的下限值時,電接點壓力表5的觸點又發出信號,使1DT通電,液壓泵輸出的液壓油再次向系統供應,使無桿腔壓力上升,從而使液壓缸無桿腔的壓力保持在要求的工作范圍內。當2DT通電時,換向閥右位接入回路,液壓缸有桿腔進油,無桿腔回油,活塞上升。當1DT、2DT都斷電時,系統處于圖示中位狀態。
關鍵詞:立式磨機結構圖,立式磨工作原理,
下一篇:同力重機:節能球磨機介紹和功能
版權所有?:浙江同力重型機械制造有限公司 浙ICP備11047279號-2

浙公網安備 33048302000399號